展示パネル情報
ノードの技術(交換、ソフトウェア)
交換機の進歩
ステップバイステップからディジタル交換機へ
自動交換機はより高度な知能をめざす
手動から自動へ、ステップ バイ ステップからクロスバへ、電子交換からディジタル交換へ 交換機はより高い知能を求めてきた。ネットワークの要である交換機 端末機からのアクセスラインを集める加入者交換機と、中継伝送路をつなぐ中継交換機がある。交換機はネットワークの結節点 ノードである。
自動交換機を構成する2つの機能
制御系と通話路系の変化
自動交換機には2つの主要な機能がある。
- 通話路系:通話信号を伝達する装置、通話路スイッチなどがある。
- 制御系 :ダイヤル信号を受けて接続の選択を指示する制御装置。
ステップバイステップからクロスバへ
自動化を実現したステップ バイ ステップ交換機
わが国最初の局用自動交換機はステップ バイ ステップ方式で、関東大震災後の1926年に東京に導入された。北米系のA形と欧州系のH形の二つの流れがあり、どちらも当初は輸入されていたがその後国産化され、市内標準交換機として主要都市に導入された。1940年には、日本独自の方式としてT形(逓信省形)自動交換機が実用化され奈良局に採用されたが、戦争激化で普及に至らなかった。T形ではA形とH形の利点を活かし、継電器を減らして経済化を実現した。
地階<電信電話ことはじめから>にも展示。
クロスバ交換機の自主開発への道
ダイヤル自動即時交換網を全国に展開するために、次期の国産交換機はどうあるべきか—
電気通信技術委員会(交換部会)は世界各国の交換方式を比較検討し、<クロスバスイッチを使用、必要に応じてディレクタおよびマーカなどによる共通制御を使用する方式>を選択、研究実用化する方針を決定した。電電公社(現NTTの)電気通信研究所(現 研究開発センタ)と製造会社との共同研究も始まり、クロスバ交換機の国産化は軌道に乗った。
米ケロッグ社製のクロスバ交換機
比較検討された機種のうち、米ケロッグ社のNo.7クロスバ交換機が輸入され高崎局に設置された。この機種の制御方式はステップ バイ ステップ式の延長でなじみやすかったが、広域自動即時網の構成に対して適用できなかったため、自主開発のモデルにならなかった。
独ジーメンス社のEMD交換機
クロスバ方式以外の機種で検討されたものに独ジーメンス社のEMD(Edelmetall Motor Drehwaeler)交換機がある。通話路接点に銀パラジウムを使用したモータスイッチを用いていたため、スイッチの動作が迅速で雑音が少ないのが特長だった。1960年にH形交換方式の改良形として試験的に西宮局などに導入された。
短期間で実用化をめざしたクロスバ交換機の開発
開発の方針の基本方針は次のようなものであった。
- 短期間での実用化を目指す。技術導入も止むを得ない。
- 市内用と市外用中継交換機を、両者並行して実用化する。
- 継電器は共通制御方式に必要な条件に対して最も優れているウエスタンのワイヤスプリング継電器に準ずるものを開発する。
- クロスバスイッチはウエスタン形、ケロッグ形、スウェーデン形の3種を比較検討して決定する
市内用・市外用並行開発のラインナップ
C1、C2、C3は親局から監視できる無人局用。収容回線数に差。市内用C4と中継交換にも使えるC5は結合され併合交換機C4・5に。C6は2線式の市外発信/着信交換機用。C8は総括局に設置する大規模な4線式中継交換機。
C41・51交換機の構成
C41-51は、市内用のC4と単独で中継線交換にも使えるC5との併合交換機として、地方都市に広く普及した。
日本初の1万端子-C41・51交換機
C41・51は既存網との親和性を重視し、またトラヒックや加入者の急増に対して増設がしやすいといった利点を生かすねらいから、C41とC51を結合させた併合交換機で、部分共通制御方式*であった。市内交換機の標準機種として約1,000~40,000の加入者線を収容し、集中局機能も付与できた。約30万端子が地方都市に導入された。
*接続を階梯(ステージ)別に制御する方式。
各種部品の開発
キーとなる部品はスイッチと継電器である。スイッチは、パラジウム接点のウエスタン形が信頼度が高く量産にも適するものと判断され、これを基本に日本の材料と製造技術に適合するものが開発された。継電器は、ワイヤスプリング式が選択され、長寿命、省電力、動作速度、低価格に目標を絞り、日本の工業水準に適するものが開発された。使用する材料も、ばね用洋白板、カード用積層板、磁心用けい素鋼、ワイヤモールド用新材料など、多くの開発が必要であった。
クロスバ交換機
市内クロスバ交換機の標準 C400交換機
布線論理回路による共通制御方式
C400の標準的な配置
2線式クロスバスイッチの4段接続で構成される全共通制御方式。多数の加入者線を収容する大都市市内局でも効率的に機能する。1交換ユニットのトラヒック容量は2,752アーランで端子容量は6万強。集中局機能を付与して中継線を収容すれば、タンデム接続、TOS接続、TIS接続ができるため、市内外併用交換機でもあった。
C400の機能構成
C400の通話路部は、クロスバスイッチ2段リンクで構成されるラインリンクフレーム(LLF)とトランクリンクフレーム (TLF)からなる。接続機能はすべて起呼マーカと接続マーカによる完全共通制御方式による。なお、この標準構成に磁気ドラム記憶装置などを付加すること によって、短縮ダイヤルサービスなどの提供も可能となった。
C400クロスバの接続動作
交換機が行う接続動作には、次のようなものがある。
- 発信接続 :その局の加入者から他局への発信を接続する。
- 自局内接続:その局の加入者相互を接続する。
- 着信接続 :他の局からの着信を加入者に接続する。
- 中継接続 :他局からの着信を別の局に中継接続する。
クロスバ交換機は、これらの接続をマーカとレジスタの連携動作でクロスバスイッチを制御しておこなう。
クロスバ交換機の展開
経済化・高性能化を追求
経済化・高性能化追求の結果、C4・5を起点とする市内交換機はC41・51を経て小局から大局まですべてC400系に統一された。小局用のC460、局設置型構内交換機C410、ポケットベル用交換機などが含まれる。市外交換機は、C8を原型としたC82に統合された。市内用と市外用とも4段接続の全共通制御方式となり、クロスバ交換機の実用化は完成の域に達した。
クロスバ交換機のキーテクノロジ
通話路を構成するクロスバスイッチ
高精度が求められるメカニズム
クロスバスイッチの原理
通話路を構成するクロスバスイッチは、入線のつながる保持バーと出線のつながる選択バーで構成される。各バーの電磁石が制御装置(マーカ)の指令で動作すると、バーの接点が閉じて入線と出線が接続される。複数のクロスバスイッチを何段かの群に分けて結べば、多数の通話路が形成できる。この方式をリンク方式ともいう。
制御部を構成する布線論理回路
多数の継電器を結ぶ配線
クロスバ交換機では布線論理、つまり継電器と複雑な配線からなる計数、蓄積、変換回路などを組み合わせて制御機能を実現していた。安定で安価な論理素子として継電器しかない時代の制御技術であり、新機能を付与するたび回路改造が必要となる融通性のない方式だが、交換制御の仕組みはここで明らかにされ電子交換機へ受け継がれる。
大量需要に応える機能・製造設計
量産化をめざした生産技術開発
クロスバ交換機の開発では、年間50万から100万回線を超える大量需要に応えられるものとして、機能設計、製造設計が行われた。重要なワイヤスプリング継電器、リード継電器、クロスバスイッチでは、高性能材料の開発を基盤に高精度を実現する製造ライン構築のために、同時に多数個を加工する専用工作機械が開発された。これによって、無ねじ化・自動組立化・無調整化が実現し、量と質が両立することとなった。クロスバ交換機は、のちに日本の重要な輸出品にもなった。
生産体制と信頼性
交換機の製造に必要な布線量は膨大であるが、1本の誤配線でシステムダウンにつながる恐れがある。そのため、生産段階では、試験方法の整備など、徹底的な品質管理により信頼性確保に万全を期してきた。なお、実用化後のフィールドデータのフィードバックは、信頼性の向上に大きく寄与してきた。
電子交換機
空間分割形電子交換機─D10
プロセッサで小型クロスバスイッチを制御
D10の標準的な配置 D10は、通話路(SP)系、中央処理(CP)系、入出力(IO)系の3つの基本装置で構成される。これらの基本装置はソフトウェアによって制御される。D10交換機を加入者局用として使用したとき、トラヒック容量は4,500アーランで約9万の加入者に対応できる。
D10の機能構成
D10の特長は、通話路部は小型のクロスバスイッチを用いた空間分割形であり、制御部は交換機用プロセッサで、蓄積されたプログラムで働く<ストアードプログラム制御方式>であること。全体の構成は、出入回線を交換接続する通話路系装置と、その制御をプログラムの手順に従って実行する中央処理系装置、さらにその制御を支援するための入出力系装置から構成される。
電子交換機の系譜
電子交換機の開発には2つの方向があった。ストアードプログラム制御方式のもとで、通話路・制御部ともに電子化する<全電子交換機>の方向と、機械的な通話路スイッチを電子的なプロセッサでプログラム制御する方向である。初期に試作されたα形交換機、β形交換機は、MUSASINO-1電子計算機*と同じように、プロセッサに日本独自の固体素子パラメトロンを使用してクロスバスイッチの通話路部を制御した。半導体素子のプロセッサによる電子交換機の本格的開発はDEX-1以後のことである。D10の技術は、パケット網用の交換機や移動通信網用の交換機にも展開された。
ストアードプログラム制御方式の有用性を実証したDEX-2の商用試験
試作機DEX-2を改良したDEX-21の商用試験によって、ストアードプログラム制御方式の有用性が確認された。これら一連の試験の成果はD10の実用化に反映されていく。
電子交換機のキーテクノロジ
電子交換用プロセッサの開発
交換と情報処理の技術を融合
電子交換機の開発史は、真空管やパラメトロンの時代にさかのぼる。電子通話路はさまざまに検討されてきたが、1945年にノイマンによりストアードプログラム制御方式が提案されて、プロセッサによる制御方式が現実的な開発目標になった。電電公社は、α、β形で早くからこの方向を選択していた。日本では、電子交換プロセッサの開発は、交換技術者と情報処理技術者の共同作業で行われて、双方の技術融合が図られた。
ストアードプログラム制御方式
サービスの多様化に対応する柔軟性の実現
ストアードプログラム制御方式の利点
クロスバ交換機では、継電器と配線がつくる布線論理による制御であり、新機能の追加に回路改造を要し、一般的にかなりの時間と工数を要した。これに対して、ストアードプログラム制御方式では、電子交換機の記憶装置に書き込まれたプログラム(ソフトウェア)によって制御を実行し、サービスの変更や追加にプログラムの書き替えで対応できるため、サービスの多様化に対する柔軟性が高い。
スイッチと継電器-電磁部品の開発
小型化と高速化をめざして
電子交換機の開発に当たっては、小型クロスバスイッチとフェリードスイッチ*が比較検討され、前者が選択された。D10用小型クロスバスイッチの実用化では、部品の小型化、動作の高速化のためにクロスバ交換機以来の研究が生かされ、XSスイッチが生まれた。その後一層の軽量小型化、高速化を達成した多接点封止形(SMM)スイッチが開発されたことにより、D10の床面積はクロスバ形のC400と比べて大幅に縮小された。また、汎用性、長寿命、量産性などに優れたDF継電器の開発成功は、電子交換機の実用化を促進した。
*ベル研究所の電子交換機ESSNo.1はフェリードスイッチを使用。
小型化・高性能化が求める高度な生産技術
材料から組立まで各分野の技術を結集
自動組立技術などの他に、小型軽量化のための技術が大きな役割を果たした。小型クロスバスイッチでは特に垂直ユニットフレームとフィンガ、DF型継電器では可動接点ばねや鉄心磁極片などの製品化に、高度な生産技術が適用された。
ディジタル交換機
ネットワークのディジタル化へ
通話路も電子化された交換機─D60とD70
D70交換機の標準的な配置
D70は、加入者交換機の機能に加え中継交換機の機能も付与でき、アナログ電話網にそのまま適応できる。加入者交換機としての最大容量は約4,800アーランで、適用範囲は約10万加入端子の大局まで。時分割形通話路系、信号処理系、制御系、および保守運用系の4つのサブシステムから構成され、ソフトウェアにより制御される。
D70の機能構成
通話路系、信号処理系、制御系の各サブシステムはブロック積み上げ構成になっており、適切な機能単位により設計された装置ユニット(モジュール)を積み重ねることによって、局規模に応じた装置構成をとることができる。
ディジタル交換機の系譜
半導体素子の進歩で時分割の通話路スイッチが現実のものとなると、アナログの振幅変調(PAM)による方式とディジタルのパルス符号変調(PCM)による方式が試みられた。DEX-T1はPCM方式によるもので、その後のディジタル交換機への道を示した。ディジタル交換機の開発は、中継交換機*から加入者交換機へ進み、マルチメデイア対応の新ノードシステムへと進化していく。
ディジタル交換機の開発
加入者回路技術
全電子化交換機の通話路スイッチはメモリ素子などの電子回路で構成されているため、アナログ交換機のように大電流、大電力を通すことが困難である。そのため、アナログ交換機で通話路の後段に配置し、共用していた信号トランクや通話トランクの機能(BORSCHT)を加入者ごとに通話路の前段に具備する必要がある。このために新たに加入者回路が開発された。
ディジタル交換機のキーテクノロジ
集積回路技術を集約したディジタル交換機
交換機特有の多様なLSIを開発・実用化
ディジタル交換機の小型化や経済化のために超LSI技術の開発は不可欠であった。特に、加入者回路については、高集積化技術、高耐圧技術の粋を集めてBORSCHT機能のLSI化に成功した他、低発熱化を図ったMOS-LSIや高速演算LSIなど、交換機特有のLSI、VLSIも実用化され、その技術は通信分野以外にも貢献した。
マルチプロセッサ制御方式
機能分散と負荷分散で信頼性を高める
中央処理系装置の構成
ディジタル交換機では中央処理装置が通話路系装置の接続動作や信号処理、保守運用の機能を制御するが、これらはすべて主記憶装置にあるソフトウェアと連携して実行される。D70では、これらの処理機能を複数のプロセッサで実現するマルチプロセッサ制御方式を採用している。
マルチプロセッサシステムの特徴と構成
マルチプロセッサ制御方式は、複数台のプロセッサを設置して機能や負荷を分担し、交換処理全体を実行させる方式である。D70の場合、交換処理全体を呼制御処理、加入者線・中継線・共通線の各信号処理、保守運用のための処理などに機能を分割して、各プロセッサに機能分散を行っており、各機能は処理に応じて負荷分散されている。なお、呼制御処理装置ではn+1重化、その他の処理装置では2重化の冗長構成をとっている。
ディジタル交換機とISDN
ISDNのインタフェース
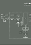
ISMでサービスごとに呼を振り分け
ISDN用交換機(ISM)は、D70交換機の集線段として、ISDNユーザを直接収容する加入者系交換装置である。これによりISDNで提供するさまざまなサービスごとに呼が振り分けられる。64k系サービス呼ならD70交換機の分配段スイッチに、1.5Mなど高速系サービス呼なら高速系交換モジュール(H1M)に、パケット呼ならパケット処理装置(PHM)にそれぞれ接続される。
ISMの構成と機能
ISMは、ユーザを直接収容する加入者線端局装置、データリンク設定(レイヤ2処理)のための信号装置、呼を振り分ける通話路系装置、呼処理やパケット多重処理を行う処理系装置の4装置で構成される。
新ノード
マルチメディア時代の多様なサービスに対応
共通のプラットフォーム上で提供
新ノード(NS-8000シリーズ)は、アナログ電話から64k系のISDN、そしてこれからのB-ISDN、ATMサービスまでを共通のプラットフォーム上で展開できるように、統一のアーキテクチャによって構築した一群のノードシステムである。従来のアーキテクチャに比べ、システム構成の柔軟性、オープン性、ソフトウェアの生産性が向上した。1996年から導入開始。
新ノードの体系と展開
新ノードは、同一アーキテクチャをベースに、PHS、ISDN、フレームリレーなどのサービスごとに、ノードの構築からはじまり、ネットワークの付加価値を高める機能を付加し、さらに高度な情報通信基盤の構築をめざしている。
新ノードを実現した技術
新ノードシステムでは、機能の階層化とモジュール化を追求して、性能アップのための必要最小単位となる機能ブロック構成を確立、追加、変更などの機能拡充を容易にした。またソフトウェア面でも階層化を徹底させたほか、オブジェクト指向法も採り入れ、マルチベンダの環境に柔軟に対応できるようにしている。
ハードウェア技術
プロセッサ、STMスイッチ、ATMスイッチをコアとして、それぞれインタフェースの統一を図っている。これにまとまった機能を単位に構成された機能ブロックを規模に応じて付加することで、さまざまな形態のノードを早期に実現する。各機能ブロックには、制御インタフェースなどの統一のため共通部を設けてある。
ソフトウェア技術
多様なマルチメディアサービスを実現していくには、ソフトウェア開発の効率化が必要との認識から、プロセッサアーキテクチャを吸収するとともに、プロセッサ置換の実現や通信プロトコル、システム管理機能などの変更箇所局在化などを目的として、ソフトウェア構成を階層化した。
交換機のソフトウェア
数万の呼処理を扱う超多重実時間処理
ソフトウェアの設計は状態遷移図から
電子交換機(アナログ/ディジタル)の処理の基本は、可能な限りにおいて通信サービスを提供することである。接続(オフフック)開始から通話終了(オンフック)までを常時、監視制御し、〈顧客の識別〉、〈入力情報によるネットワークやサービスの識別と接続〉、〈料金処理〉などを行っている。交換機では、待ち時間なしに同時に数万の呼処理を扱う。この超多重実時間処理は、交換処理特有のOS構造と呼処理を状態遷移方式と呼ぶ、サービスを複数の状態の遷移として扱うことで実現している。また、“安定して連続作動し続ける”という高度な信頼性を要求されるソフトウェアであり、故障/輻輳/システム拡張に対する多くの手段が埋め込まれている。
サービスの高度化とネットワークの成長
高度の信頼性とファイル更新の技術
サービスニーズの多様化により、次々に新サービス機能の導入が求められてきた。また、大規模ネットワークを実現している通信ソフトウェアは、高度な信頼性と可能な限りのサービスの連続性が求められている。このため新サービス追加のための機能拡張においても、サービスの中断なしにファイルを更新する技術を実現している。
交換ソフトウェアが実現した特徴的な機能
ソフトウェアの生産技術と管理運営
分散開発体制と自動試験
信号方式
加入者線信号方式と局間信号方式
通信端末を相互に接続するためには端末装置と交換機、交換機と交換機の間で各種情報(信号)のやりとりが必要である。これらの信号を迅速、確実に伝達するために定めた条件を信号方式という。電話網の信号方式には、電話機など端末装置と交換機の間の信号方式(加入者線信号方式)と、交換機と交換機の間の信号方式(局間信号方式)の2種類がある。
加入者線信号方式
発信または着信端末と交換機の間では、監視信号、選択信号、可聴音信号、呼出信号、および課金信号が同一のチャネルで送受される。加入者線信号方式とは、これらの信号を送受するための方式である。ISDNにおける加入者線信号方式はとくにディジタル加入者線信号方式と呼ばれ、信号チャネルと情報チャネルが分離されている。
局間信号方式
1954年に開発し東京─名古屋─大阪で準ダイヤル通話を実現した多周波符号音声周波市外ダイヤル(VFD)方式や、1955年に実用化した帯域時間登算(ZZZ)方式は、ステップ バイ ステップ交換機を対象としたが、局間信号方式の先行的な試みでもあった。
通話路と信号路の分離
処理できる信号の種類も増加
従来の個別信号方式では接続制御に伴う信号送受にそれぞれの通話路チャネルを使用するため、通話路チャネル対応に信号路を必要としていた。共通線信号(CCS)方式では、信号を専用のチャネルで通話と関係なく高速で送受できるように通話路と信号路とが分離している。このため信号路の使用効率が向上し、処理できる信号の種類も増加した。このCCS方式の導入で、インテリジェントネットワーク(IN)の構築がスムーズに実現できた。
電話網と共通線信号網の関係
共通線信号方式では、1本の信号チャネルで多数の通話回線に対応、故障時のルート変更も容易に実行できる。共通線信号網を2面対称にした完全2重化構成が可能となり信頼性が向上した。
ネットワークサービスと交換機
高度インテリジェントネットワークへ進展するサービスの高度化
共通線信号網の導入により多種類の信号転送が交換機間で容易になったため、従来交換機だけで行っていたサービス処理を基本的な回線接続機能とサービス実現のための処理機能とに分離し、その組み合わせによって柔軟かつ迅速に多様なサービスが提供できるようになった。さらに、そのサービス処理機能を番号翻訳やルーチング条件設定のための制御機能と加入者データや課金内容などの情報管理機能に切り分け、それぞれ網サービス制御局(NSP)、網サービス統括局(NSSP)に集中処理させることによって効率的なインテリジェントネットワークの実現ができた。なお、NSPとNSSPの間の情報転送にはパケット網が適用されている。さらに、新ノードシステムにおいては高度インテリジェントネットワーク(IN)が導入された。ネットワークで結ばれた高度な情報社会は、高度INのなかで息づいている。
高度インテリジェントネットワークの構成モデル
MHN-SCP、SMS間は、ネットワーク管理系のTMNインタフェースを、またMHN-SCPと交換機間は、高度IN用に標準化されているINAP(IN Application Protocol)を適用している。
